12 febbraio 2025
DC-Coupling vs AC-Coupling: Differenze e Implicazioni per l'Installatore

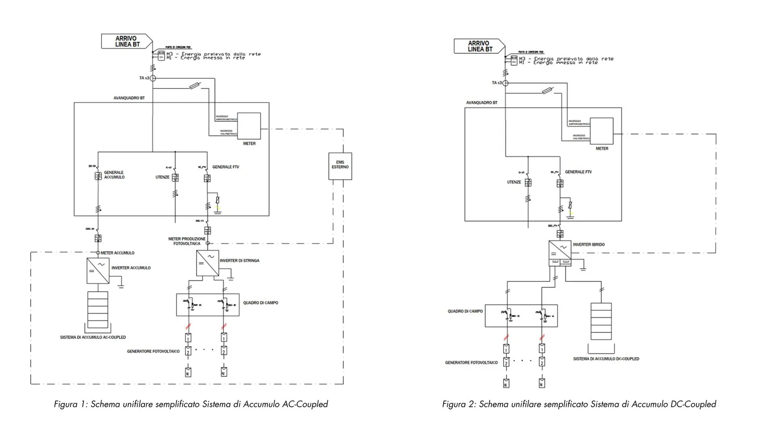
AC-Coupling
L’AC-Coupling prevede la connessione del sistema di accumulo direttamente al lato in corrente alternata (AC) dell’impianto, collegandosi solitamente al quadro generale di bassa tensione attraverso un inverter dedicato all’accumulo. La corrente continua (DC) prodotta dai moduli fotovoltaici viene dapprima convertita in corrente alternata (AC) tramite un inverter fotovoltaico e in seguito viene riconvertita in corrente continua per essere immagazzinata nel sistema di accumulo. Questa configurazione presenta il vantaggio di non richiedere la sostituzione degli inverter solari esistenti nel caso non fossero ibridi, il che riduce i costi di manodopera e facilita l'installazione. è la scelta tipica per impianti di grandi dimensioni o per integrare l’accumulo in un impianto fotovoltaico esistente (Retrofit), dotato di inverter non ibridi.
Vantaggi:
- Semplicità: l'integrazione con l’eventuale impianto esistente avviene senza interventi significativi sull’attuale infrastruttura. Pertanto, non si dovrebbero sostituire gli inverter esistenti ed eventualmente ri-stringare tutti i moduli fotovoltaici, risparmiando i relativi costi operativi e di manodopera.
- Flessibilità: questo tipo di accoppiamento offre inoltre flessibilità per futuri upgrade o espansioni, rendendo possibile l’aggiunta di ulteriori unità di accumulo o l’aumento di potenza dell'impianto fotovoltaico senza dover intervenire sull’impianto esistente.
- Compatibilità con inverter esistenti: mantenendo gli inverter esistenti, si riducono i costi di sostituzione e si evita la complessità di integrare nuovi dispositivi.
- Maggiore resilienza in caso di malfunzionamenti: con l’accoppiamento in AC, l'impianto fotovoltaico e il sistema di accumulo sono indipendenti dal punto di vista degli inverter. Perciò, è necessario un Energy Management System (EMS) esterno per gestire correttamente i flussi energetici. Inoltre, in caso di malfunzionamento dell'inverter del fotovoltaico o dell’accumulo, l’altro sistema continuerà a funzionare. Al contrario, in modalità DC-coupled, un malfunzionamento all’inverter porta al fermo sia dell’impianto solare che dell'accumulo.
Svantaggi:
- Efficienza inferiore: rispetto al DC-coupling, l'accoppiamento AC può risultare leggermente meno efficiente a causa delle doppie conversioni di energia necessarie (DC-AC e AC-DC), che comportano perdite durante la conversione.
- Infrastruttura di comunicazione più complessa: con l'accoppiamento AC, l'inverter del fotovoltaico e l'inverter del sistema di accumulo devono comunicare tra loro per coordinare la gestione dell'energia. Ciò richiede l’installazione di un EMS esterno in grado di gestire correttamente i flussi energetici complessivi.
L’AC-coupling è una soluzione consigliata per potenze elevate, non solo per la sua capacità di gestire meglio carichi complessi, ma anche per la flessibilità nell'integrazione e nella gestione dell'impianto. Sebbene possa avere un'efficienza leggermente inferiore, offre vantaggi significativi in termini di modularità, gestione della potenza e affidabilità, rendendosi la scelta tipica per impianti di grandi dimensioni ed evitando la manodopera e i costi relativi alle opere elettriche necessarie sull’impianto esistente.
DC-COUPLING
Il DC-Coupling prevede la connessione del sistema di accumulo nel lato corrente continua dell’impianto attraverso un inverter ibrido, che gestisce direttamente la corrente continua generata dai moduli fotovoltaici, accumulando l’energia in eccesso direttamente in DC.
Vantaggi:
- Migliore efficienza energetica: Grazie alla riduzione delle conversioni, l'accoppiamento DC migliora l'efficienza del sistema. L’energia solare può essere accumulata direttamente in DC senza passare attraverso ulteriori trasformazioni.
- Infrastruttura di comunicazione semplificata: Questa modalità di accoppiamento permette di gestire la produzione solare in maniera diretta e senza necessità di EMS esterni, in quanto l’inverter ibrido controlla direttamente l’impianto fotovoltaico e il sistema di accumulo.
Svantaggi:
- Possibile necessità di sostituire gli inverter esistenti: l’accoppiamento in DC potrebbe richiedere di sostituire gli attuali inverter nel caso non fossero ibridi, ed eventualmente di ri-stringare tutti i moduli fotovoltaici, con conseguenti costi operativi e di manodopera.
- Minor flessibilità per future espansioni: poiché l’accumulo è connesso direttamente al lato DC dell’impianto, qualsiasi modifica o espansione del sistema richiederà nuovi interventi sugli inverter e sull’impianto esistente, con una flessibilità minore rispetto all’accoppiamento AC.
- Maggiore rischio in caso di malfunzionamento dell'inverter ibrido: l’uso di inverter ibridi implica che, in caso di malfunzionamento di un inverter, si bloccherebbe sia il funzionamento dell’impianto fotovoltaico che quello del sistema di accumulo, interrompendo completamente la produzione e la capacità di storage.
L’accoppiamento in DC è una soluzione ottimale dal punto di vista dell’efficienza del sistema, ma presenta lo svantaggio di una ridotta flessibilità e di una minore resilienza.